|
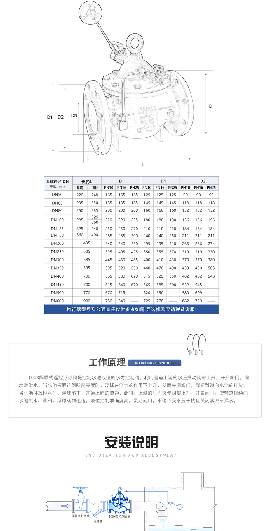
100X遙控浮球閥由主閥、針閥、球閥、浮球閥、微型過濾器等組成水力控制接管系統,調定后,自動控制液面高度。100X遙控浮球閥直接利用液面控制,不需要其它裝置和能源,保養簡便,液面控制準確度高,不受水壓影響,密封可靠。100X遙控浮球閥廣泛用于高層建筑、生活區等供水管網系統的水塔、水池等設施的液面控制。 |
-
用于食品、環保、輕工、石油、化工、水處理、市政工程、造紙、電力、水處理等行業
-
啟閉方便迅速、省力、流體阻力小,可以經常操作。
-
具有體積小,重量輕,性能可靠,配套簡單,流通能力大。
-
采用隔膜式結構,具有越關越緊的密封功能,密封性能可靠。
-
配件采用不銹鋼304材質防止生銹,使用壽命長。
-
整體不銹鋼,能有效防止銹蝕。









